HeadHub

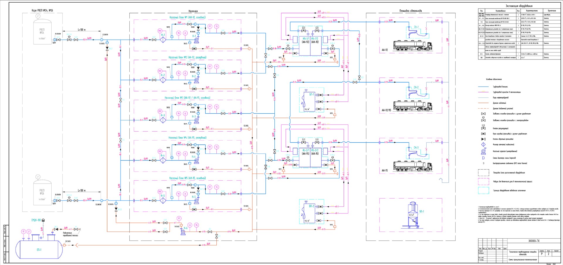
Площадка налива в автоцистерны

Площадка налива в автоцистерны
Технологическая принципиальная схема
Октябрь, 2025